广东产品展示
/ Products Classification 点击展开+详细介绍
一、LZ10011手动火灾报警按钮防雨罩产品概述
其它附件系列LZ10011手动火灾报警按钮防雨罩碳钢材质。可壁挂安装,也可与LZ1001立柱配套安装,适用于在室外安装广东J-SAM-GST9116手动火灾报警按钮。
表面防腐及颜色:要求各部件外露表面除锈后喷塑处理。
立柱钢管规格:φ48.3*3.6820#;
防雨罩材质及规格:厚2mm,Q235b
底座孔径尺寸:孔间距130mm,地脚螺栓规格M20。
LZ10011型防雨罩可采用壁挂式安装,也可与LZ1001型立柱配套安装。
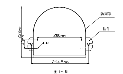
二、LZ10011手动火灾报警按钮防雨罩安装示意图
LZ10011型防雨罩壁挂安装时需配用挂件进行安装,壁挂安装示意图如图1-61所示。

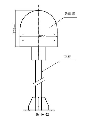
LZ10011型防雨罩与LZ1001型立柱配套安装示意图如图1-62所示。

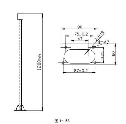
LZ1001型立柱外形示意图如图1-63所示。

布线要求:
本报警按钮应用于ⅡB环境中,电缆引入装置为橡胶密封圈型式。将截面积≥1mm2、外径为φ8mm-φ10mm的屏蔽阻燃双绞电缆穿过金属垫圈和橡胶密封圈,将橡胶密封圈、金属垫圈连同电缆一同旋进报警按钮壳体,用扳手将密封圈压紧对丝旋紧。
本报警按钮也可应用于ⅡC环境中,但需使用隔爆型电缆密封套(填料函)作为引入装置,安装时,必须用填料函将电缆密封套填充,填充材料及填充方式符合防爆相关规定。
本文标签:
相关服务 / service
地区产品 / city
相关产品 / product
相关新闻 / news
- 广东海湾防火门监视模块GST-FH-MC01可以用在火灾爆炸区吗?或者有没有可替换模块?[ 2025-12-12 ]
- 广东海湾两线制的,风机多线用什么型号的模块?总线用什么型号的模块?[ 2025-12-12 ]
- 广东一图读懂|GB27897-2025《A类泡沫灭火剂》[ 2025-12-09 ]
- 广东《山东省消防条例》超易记核心手册[ 2025-12-09 ]
- 广东宾馆、饭店场所应按区域设置火灾显示盘[ 2025-12-05 ]
- 广东新国标 新升级|海湾消防应急照明产品新方案[ 2025-12-02 ]
- 广东新国标新升级 | 海湾新国标火灾报警控制器智慧守护再进阶[ 2025-12-02 ]
- 广东成品锂电池存储的话,火灾危险类别为哪一类?是否需要考虑防爆措施[ 2025-11-29 ]
联系我们
- 电话:4006-598-119
- 邮箱:1334605518@qq.com
- 地址:苏州市常熟市黄河路275号
- 版权所有:智淼君安(江苏)消防工程技术有限公司
- 海湾消防 www.gstyg.com 网站地图 (XML/TXT)
- ICP备案证书号:苏ICP备19022074号-10
苏公网安备32058102002167号
扫一扫,关注我们
- 广东关于我们
- 广东产品展示
- 广东火灾自动报警系统
- 广东气体灭火系统
- 广东电气火灾监控系统
- 广东消防电源监控系统
- 广东防火门监控系统
- 广东应急照明疏散系统
- 广东极早期空气采样系统
- 广东消防余压监控系统
- 广东可燃气体监控系统
- 广东智慧消防物联网系统
- 广东涉外消防设备
- 广东空气采样探测器
- 广东消防水炮系统
- 广东其它配件
- 广东联网及通讯接口
- 广东海湾消防技术视频
- 图探系统
- 广东新闻中心
- 广东技术文章

服务热线:

<
<
<
<
